ZN□ (SRM6)-24 (V)/630-20充氣柜斷路器(帶隔離不帶接地)
-
- 產品概述
- ZN□(SMR6)-24(V)/ 630 - 20斷路器開關具有易安裝、維修少、壽命長、體積小、價格便宜安全可靠等優(yōu)點。該產品符合GB1984-89,GB/T1984-2003交流高壓斷路器的技術要求。主回路630A-20kA (3s),機械壽命10000次。接地回路20kA (2s),機械壽命2000次。
-
型號及含義

使用環(huán)境條件注意事項
● 海拔高度:不超過1000m,震裂度不超過8° ;
● 耐污穢等級: II ;
● 環(huán)境溫度: -40℃~+140℃, 相對濕度日平均不大于90%,月平均不大于90%;
● 適用場所:經常性劇烈震動的安裝場所,明顯影響機構性能的水蒸氣、氣體、化學腐蝕性沉積、鹽霧、灰塵污垢及其火災,爆炸危險的安裝場所不適使用。
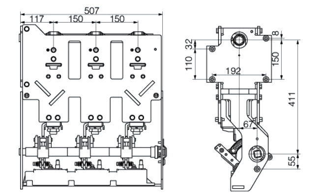
技術參數
外形及安裝尺寸內容 單位 技術參數 額定頻率
Hz 50 額定電流 A 630 額定短時耐受電流 KA 20/25 額定峰值耐受電流 KA 50 額定短路持續(xù)時間 s 4 額定短路關合電流 次 50 額定操作順序 0-0.3s-180s-co
同類產品
-








